
Σχεδιασμός - Μελέτη - Εγκατάσταση
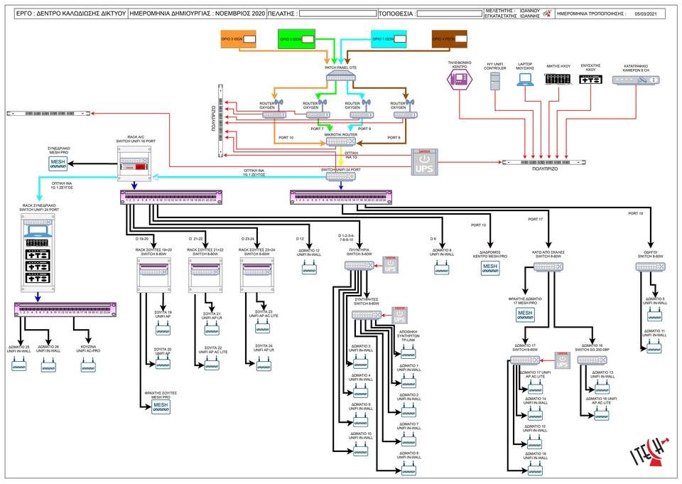
Στην εταιρεία ITECH Ιωάννου έχουμε την κατάλληλη τεχνογνωσία για την ανάληψη έργων -όλων των κλιμάκων- που αφορούν στην κατασκευή ή ανακατασκευή δικτύου σε εγκαταστάσεις δομημένης καλωδίωσης. Ξεκινώντας από την εκπόνηση της μελέτης ηλεκτρομηχανολογικού-αρχιτεκτονικού σχεδίου, προβαίνουμε στην κατασκευή και ολοκλήρωση εκάστοτε έργου. Στη συνέχεια προβαίνουμε σε απαραίτητες μετρήσεις με πιστοποιημένα όργανα και παραδίδουμε τον πλήρη φάκελο του έργου.
Στόχος μας, πάντα, η επίτευξη άριστου αποτελέσματος εργασίας και η εύρεση της κατάλληλης λύσης δικτύου δομημένης καλωδίωσης για τον οικιακό και επαγγελματικό σας χώρο. Σε όλα τα στάδια της εξέλιξης των έργων που αναλαμβάνουμε, λαμβάνουμε ειδική μέριμνα για να παραδίδουμε το τέλειο αποτέλεσμα εργασίας, τηρώντας αυστηρά όλες προδιαγραφές ασφαλείας.
Στην ITECH Ιωάννου, μπορούμε να φέρουμε εις πέρας και τα πλέον πρωτοποριακά projects, με βάση τις σύγχρονες τεχνολογικές εξελίξεις. Μελετάμε, σχεδιάζουμε και εγκαθιστούμε πιστοποιημένα συστήματα Δομημένης Καλωδίωσης, που ενδείκνυνται για την οικία ή τον επαγγελματικό σας χώρο.
Λαμβάνουμε υπόψη:
-τις ανάγκες & απαιτήσεις των πελατών μας
-τα χαρακτηριστικά του χώρου όπου θα εγκατασταθεί το δίκτυο
-τις μελλοντικές απαιτήσεις του δικτύου
-την παράμετρο της δημιουργίας ενός εύκολα διαχειρίσιμου περιβάλλοντος
Πλεονεκτήματα Δομημένης καλωδίωσης:
-παρέχει μια κοινή πλατφόρμα επικοινωνίας για συσκευές διαφορετικών κατασκευαστών
-είναι εξαιρετικά ευέλικτη, καθώς συνδέεται με ένα κεντρικό κέντρο διανομής. Έτσι, μπορεί εύκολα να αλλάξει και να ξαναρυθμιστεί, για νέες εφαρμογές και χρήσεις
-παράλληλα με την ευελιξία που παρέχει ως προς τις μελλοντικές επεκτάσεις της, είναι εύκολη και ως προς τη διαχείριση & συντήρησή της. Είναι εύκολη, δηλαδή, η δοκιμή και ανίχνευση λάθους σε κάθε καλώδιο ξεχωριστά.









